Патрон токарный самоцентрирующийся SF 3-315.39 (7100-0039) STARDA FORCE

Есть в наличии
Особенности
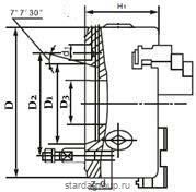
Z-d:
4хМ12
Диаметр патрона D, мм:
315
Диаметр посадочного отверстия D1:
106.375
Диаметр расположения крепежных отверстий:
133.4
Диаметр сквозного отверстия в корпусе D3:
103
Количество кулачков:
3
Конус Морзе:
6
Масса:
60
Материал корпуса:
Сталь
Тип:
Тип 2 ГОСТ 12593 (DIN 55027)
Тип кулачков:
Цельные кулачки
Все характеристики
Доставка и самовывоз
Безопасная оплата
Гарантия от производителя
Вид патрона: Самоцентрирующий трехкулачковый спиральный ГОСТ 2675-80
Диаметр патрона: 315 мм
Тип крепления на станок: Тип 2 по ГОСТ 12593 (DIN 55027) посадка на конус под поворотную шайбу
Конус Морзе: 6
Исполнение 1: С цельными калеными кулачками.
Кулачки: прямые и обратные цельные закаленные
Материал корпуса токарного патрона: Стальной

Комплектация токарного патрона SF 3-315.39 STARDA FORCE:
1. Патрон с прямыми кулачками (Кулачок прямой SF 3-315.41.12.004/3-315.234.004) - 1шт в сборе
2. Комплект обратных кулачков Кулачок обратный SF 3-3-315.41.12.015/3-315.234.015 - 1к-т (3шт)
3. Паспорт - 1шт
4. Ключ - 1шт
5. Крепежные элементы (винты+ гайки)
Аналог патрона 3-315.39.234
Обозначение по ГОСТ 2675-80 7100-0039

Цены, наличие и сроки поставки уточняйте у менеджеров.
Бесплатная доставка до терминала транспортной компании.
Поделиться:
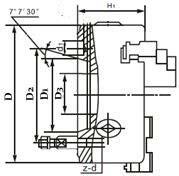
Z-d:
4хМ12
Диаметр патрона D, мм:
315
Диаметр посадочного отверстия D1:
106.375
Диаметр расположения крепежных отверстий:
133.4
Диаметр сквозного отверстия в корпусе D3:
103
Количество кулачков:
3
Конус Морзе:
6
Масса:
60
Материал корпуса:
Сталь
Тип:
Тип 2 ГОСТ 12593 (DIN 55027)
Тип кулачков:
Цельные кулачки
1 Самовывоз от 0 рублей
Самовывоз осуществляется со скада ООО "РДА Групп" по адресу:
г. Москва, Волоколамское шоссе, дом 142, при наличии паспорта и доверенности.
 
2 ТК Деловые линии от 300 рублей
Доставка транспортной компанией Деловы Линии осуществляется каждую пятницу.
До терминала в городе Москве доставляем бесплатно.
У этого товара еще нет отзывов
Вы приобрели товар? Поделитесь своим мнением и, возможно, Вы поможете кому-то сделать правильный выбор!
Оставить отзыв
Ваша оценка:
В целом Ваш отзыв
Нажимая на кнопку “Отправить”, Вы соглашаетесь с политикой конфиденциальности
Нажимая на кнопку “Подписаться”, Вы соглашаетесь с политикой конфиденциальности
Ваш список сравнения пуст
Ваш список избранного пуст
В корзине пока ничего нет

Личный кабинет

Caps Lock включен.
Пароль может быть введен неверно.

Мы заметили, что у Вас устаревший браузер.

Необходимо обновиться для корректной работы сайта.