Патрон токарный 3-250.35.234 SF (7100-0035) ф250мм ГОСТ 2675-80 с прямыми и обратными кулачками STARDA FORCE.
Трехкулачковый токарный патрон 3-250.35.234 SF STARDA FORCE с прямыми и обратными кулачками
Самоцентрирующий 3-х кулачковый токарный патрон диаметром 250 мм Тип 2 УК6.
Патрон токарный самоцентрирующийся, трехкулачковый диаметром 250 мм серии 7100-0035 изготовлен согласно ГОСТ 2675-80, тип крепления - 2 (крепление на условный конус морзе 6).
Данный патрон устанавливается на токарных станках 1К62, 16К20 и других станках с аналогичным шпинделем по ГОСТ 12593/DIN 55027 конус Морзе 6.
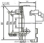
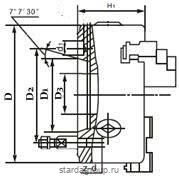
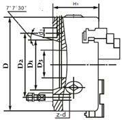
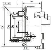
Вид патрона: Самоцентрирующий трехкулачковый спиральный ГОСТ 2675-80
Диаметр патрона: 250 мм
Тип крепления на станок: Тип 2 по ГОСТ 12593 (DIN 55027) посадка на конус под поворотную шайбу
Конус Морзе: 6
Исполнение 1: С цельными калеными кулачками.
Кулачки: прямые и обратные цельные закаленные
Материал корпуса токарного патрона: Высокопрочный чугун
Комплектация токарного патрона SF 3-250.35 STARDA FORCE:
1. Патрон с прямыми кулачками (Кулачок прямой SF 3-250.35.11.004/3-250.234.004) - 1шт в сборе
2. Комплект обратных кулачков Кулачок обратный SF 3-250.35.11.015/3-250.234.015 - 1к-т (3шт)
3. Паспорт - 1шт
4. Ключ - 1шт
5. Крепежные элементы (винты+ гайки)
Аналог патрона 3-250.35.14, 3-250.35.34, 3-250.35.134, 3-250.35.234П, 3-250.35.234В
Обозначение по ГОСТ 2675-80 7100-0035
Цены, наличие и сроки поставки уточняйте у менеджеров компании ООО "РДА Групп".
Самовывоз в день оплаты. Бесплатная доставка до терминала транспортной компании.
Купить токарные патроны STARDA FORCE из наличия на складе Вашего города.
На складе компании ООО "РДА Групп" имеются патроны диаметром от 80 до 1000 мм.
Аксессуары: фланцы, дополнительные кулачки и прочая станочная оснастка.
Приобретайте качественную станочную оснастку по лучшей цене у надежного поставщика со всеми необходимыми подтверждающими документами!
Трехкулачковый токарный патрон 3-250.35.234 SF STARDA FORCE с прямыми и обратными кулачками
Самоцентрирующий 3-х кулачковый токарный патрон диаметром 250 мм Тип 2 УК6.
Патрон токарный самоцентрирующийся, трехкулачковый диаметром 250 мм серии 7100-0035 изготовлен согласно ГОСТ 2675-80, тип крепления - 2 (крепление на условный конус морзе 6).
Данный патрон устанавливается на токарных станках 1К62, 16К20 и других станках с аналогичным шпинделем по ГОСТ 12593/DIN 55027 конус Морзе 6.
Вид патрона: Самоцентрирующий трехкулачковый спиральный ГОСТ 2675-80
Диаметр патрона: 250 мм
Тип крепления на станок: Тип 2 по ГОСТ 12593 (DIN 55027) посадка на конус под поворотную шайбу
Конус Морзе: 6
Исполнение 1: С цельными калеными кулачками.
Кулачки: прямые и обратные цельные закаленные
Материал корпуса токарного патрона: Высокопрочный чугун
Комплектация токарного патрона SF 3-250.35 STARDA FORCE:
1. Патрон с прямыми кулачками (Кулачок прямой SF 3-250.35.11.004/3-250.234.004) - 1шт в сборе
2. Комплект обратных кулачков Кулачок обратный SF 3-250.35.11.015/3-250.234.015 - 1к-т (3шт)
3. Паспорт - 1шт
4. Ключ - 1шт
5. Крепежные элементы (винты+ гайки)
Аналог патрона 3-250.35.14, 3-250.35.34, 3-250.35.134, 3-250.35.234П, 3-250.35.234В
Обозначение по ГОСТ 2675-80 7100-0035
Цены, наличие и сроки поставки уточняйте у менеджеров компании ООО "РДА Групп".
Самовывоз в день оплаты. Бесплатная доставка до терминала транспортной компании.
Купить токарные патроны STARDA FORCE из наличия на складе Вашего города.
На складе компании ООО "РДА Групп" имеются патроны диаметром от 80 до 1000 мм.
Аксессуары: фланцы, дополнительные кулачки и прочая станочная оснастка.
Приобретайте качественную станочную оснастку по лучшей цене у надежного поставщика со всеми необходимыми подтверждающими документами!
Поделиться:
Z-d:
4хМ12
Диаметр патрона D, мм:
250
Диаметр посадочного отверстия D1:
106,375
Диаметр расположения крепежных отверстий:
133,4
Диаметр сквозного отверстия в корпусе,мм (D3):
76
Исполнение:
Цельные
Количество кулачков:
3
Конус Морзе:
6
Масса:
35
Материал корпуса:
Чугун
Тип:
Тип 2 ГОСТ 12593 (DIN 55027)
1
Самовывоз от
0 рублей
Самовывоз осуществляется со скада ООО "РДА Групп" по адресу:
г. Москва, Волоколамское шоссе, дом 142, при наличии паспорта и доверенности.
г. Москва, Волоколамское шоссе, дом 142, при наличии паспорта и доверенности.
2
ТК Деловые линии от
300 рублей
Доставка транспортной компанией Деловы Линии осуществляется каждую пятницу.
До терминала в городе Москве доставляем бесплатно.
До терминала в городе Москве доставляем бесплатно.
У этого товара еще нет отзывов
Вы приобрели товар? Поделитесь своим мнением и, возможно, Вы поможете кому-то сделать правильный выбор!
Оставить отзыв